产品特点
外观美观、运转安静、动力强劲、高效节能、大流量
适用范围
电火花、加工中心、高光机、雕铣机、雕刻机、数控机床、磨床、过滤系统、工业清洗
输送介质
适用稀薄、洁净、无腐蚀性、非爆炸性、不含固体颗粒或纤维的液体(液体温度范围:0℃-90℃)
使用条件
最高环境温度:+50℃
1MPa(10bar):0℃~+40℃
最在工作压力取决于输送介质的温度
0.6MPa(6bar):+41℃~+90℃


产品特点
外观美观、运转安静、动力强劲、高效节能、大流量
适用范围
电火花、加工中心、高光机、雕铣机、雕刻机、数控机床、磨床、过滤系统、工业清洗
输送介质
适用稀薄、洁净、无腐蚀性、非爆炸性、不含固体颗粒或纤维的液体(液体温度范围:0℃-90℃)
使用条件
最高环境温度:+50℃
1MPa(10bar):0℃~+40℃
最在工作压力取决于输送介质的温度
0.6MPa(6bar):+41℃~+90℃


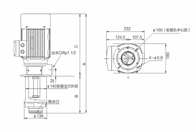
| 型号 Model | 额定功率 Rated Power P2(KW) | 相数 Phase (9) | 频率 Frequency (Hz) | 额定电压 Rated Voltage (V) | 额定电流 Rated Current (A) | 流量 Limited (m³n) | 场程 Max Lift (m) | A (mm) | B(mm) | C(mm) |
| RAVB24-230 | 2.0 | 3 | 50 | △220/Y380 | 3.6 | 24 | 13 | 605 | 225 | 380 |
| 液面高度 Liquid Level | ||
| 带有顶部抽吸的RAVB 水泵 RAVB water pump with top suction | ||
| 型号 Model | H1(mm) | H2(mm) |
| RAVB24 | 20 | 40 |

| 型号 Model | 额定功率 Rated Power P2(KW) | 相数 Phase (9) | 频率 Frequency (Hz) | 额定电压 Rated Voltage (V) | 额定电流 Rated Current (A) | 流量 Limited (m³n) | 场程 Max Lift (m) | A (mm) | B(mm) | C(mm) |
| RAVB24-230 | 2.0 | 3 | 50 | △220/Y380 | 3.6 | 24 | 13 | 605 | 225 | 380 |
| 液面高度 Liquid Level | ||
| 带有顶部抽吸的RAVB 水泵 RAVB water pump with top suction | ||
| 型号 Model | H1(mm) | H2(mm) |
| RAVB24 | 20 | 40 |
